
Электроприводы Belimo | Приводы Belimo | Сервоприводы Belimo
127106, Россия, г.Москва, Нововладыкинский пр., д.8, стр.4, офис 100.
Тел.: 8 (800) 201-64-80 Еmail: belimo@rusmark.ru
Электрический привод Belimo NF24A-S2 применяется в системах подготовки воздуха в зданиях, регулируя работу охранных заслонок. Площадь поверхности не более 2 кв.м. С дополнительными переключателями и возвратной пружиной.
| Электричество | |
|---|---|
| Unom; частота тока | 24 В; 50/60 Гц |
| Рабочий интервал Unom | 19,2 - 28,8 В~ / 21,6 - 28,8 В= |
| Параметры мощностей | 8,5 ВА – значение расчета
6 Вт – потребление при работе 2,5 Вт – потребление в нерабочем состоянии |
| Доп. переключатели (2 шт.) | 1-полюсные, с 2-ым переключением I от 1 мА до 3 (0,5) А, U – 250 В |
| Присоединение (кабельное) | К питанию: L – 100 см, 2 х 0,75 мм2 Доп. переключатели: L – 100 см, 6 х 0,75 мм2 |
| Функциональность | |
| Вращающий момент двигателя и пружины | 10 Нм (мин. значение) |
| Поворот | Настраивается на Left/Right установке |
| Управление вручную | Есть, с помощью ключа |
| Поворотный угол | ≤ 95°, ограничен упорами с обеих сторон |
| Время срабатывания | Двигатель: ≤ 75 с (при 0 – 10 Нм) Пружина: ≤ 20 с (t -20°С … +50°С); max 1 мин при t -30°С |
| Допустимый шумовой уровень | Двигатель: ≤ 45 дБ Пружина: ≤62 дБ |
| Индикатор позиции привода | Указатель механический |
| Безопасность | |
| Защита от поражения током / корпуса | 3 класс (маленькие значения U) / IP54 |
| Окружающая температура | От –30°C до +50°C |
| Температура в нерабочем состоянии | От –40°C до +80°C |
| Тех. поддержка | Не нужна |
| Вес устройства | Около 2 кг |
Принцип работы
Одновременно с приведением электропривода Belimo NF24A-S2 в рабочее состояние происходит взвод пружины с опцией возврата. В случае отключения от источника питания с ее помощью заслонка вернется в охранную позицию.
Возможно также управление вручную ручным ключом, который позволяет зафиксировать электропривод в любом положении (угле). При возобновлении электропитания блокировка привода снимается. Также это можно сделать самостоятельно вручную.
Нужный угол вращения устанавливается посредством упоров с обеих сторон.
Монтаж устройства
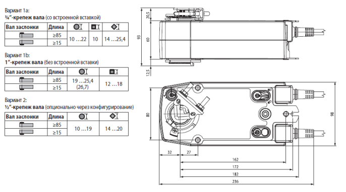
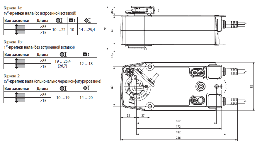
Электропривод Belimo NF24A-S2 крепится с помощью захвата прямо заслонку, что облегчает процесс монтажа. Для предотвращения произвольного вращения привода предусмотрен фиксатор положения.
Защита от перегрузок
Высокая надежность работы привода Belimo NF24A-S2 достигается за счет автоматического прекращения работы после прохождения финальных позиций. Это позволяет не использовать концевые выключатели.
Сигнализационная система
За счет 2-х дополнительных переключателей обеспечивается надежная система сигнализации о положениях привода. Один фиксированный переключатель позволяет устанавливать сигнал на 10%, а настраиваемый в интервале от 10 до 90%.
Для уточнения подробностей и цены, а также заказа электропривода Belimo NF24A-S2 Вы можете звонить по телефону 8 (499) 201-22-47.
Скидки и оптовые цены обговариваются индивидуально.
Гарантия на электропривод Belimo NF24A-S2 – 5 лет со дня покупки. К устройству прилагаются паспорт и сертификат соответствия.
Скачать PDF (819 Кбайт)
Сертификат BELIMO (775 Кбайт)