
Электроприводы Belimo | Приводы Belimo | Сервоприводы Belimo
127106, Россия, г.Москва, Нововладыкинский пр., д.8, стр.4, офис 100.
Тел.: 8 (800) 201-64-80 Еmail: belimo@rusmark.ru
Привод предназначен для регулирования позиции заслонки в вентиляционных системах зданий.
Электропривод Belimo NF230А-S2 предназначен для регулирования позиции заслонки в вентиляционных системах зданий.
| Характеристика | |
|---|---|
| Номин. U | 230 V~, 50/60 Гц |
| Диапазон номин. U | мин. 195 макс. 264 V ~ |
| Мощность, расч. | 9,5 ВА |
| Потребление мощности Работа Нерабочее состояние |
6 W 2,5 W |
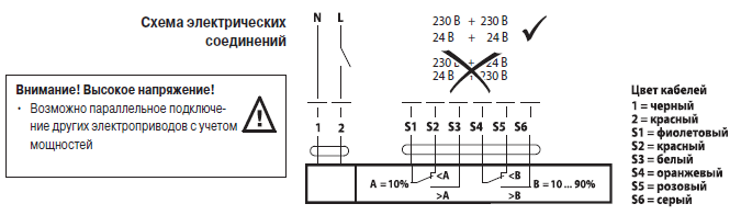
| Доп. переключатели | Два однополюсных (Один фиксированный / Один с возможностью настройки в диапазоне от 10 до 90%) |
| Подключение Электропитание вспом. переключатели |
Кабель: 100 см, 2*0,75 mm2 100 см, 6*0,75 mm2 |
| Функционал | |
| Вращательный момент Мотор пружина |
Min 10 Nm при номинальном напряжении Min. 10 Nm |
| Направление поворота | Регулируется L или R |
| Управление вручную | Посредством ключа |
| Угол вращения | Максимальный 95° , ограничивается упорами |
| Продолжительность вращения мотор пружина |
менее 75 секунд (мин. 0 макс. 20 Нм) менее 20 секунд при мин. –20 макс. +50°С или максимально 60 секунд при –30 °С |
| Индикатор | Механический |
| Шум мотор пружина |
меньше 45 дБ меньше 62 дБ |
| Защита | |
| Класс | 2, полная изоляцмя |
| Степень | IP54 |
| Т работы | мин. –30° макс. +50 °C |
| Т хранения | мин. –40° макс. +80 °C |
| Ремонт | Не предусмотрен |
| Размер | |
| Размер | См. на др. странице |
| Масса | 2 кг |
Работа
После включение привода происходит взвод пружины. В случае отключения от сети она перемещает устройство в стартовую позицию.
Монтаж
Привод монтируется на заслонку посредством захвата. При необходимости вращение привода можно ограничить фиксаторами.
Безопасность
Белимо NF230А-S2 останавливается самостоятельно при достижении установленных позиций. Это позволяет избежать перегрузки и отказаться от концевых выключателей.
Управление вручную
Устройством можно управлять вручную посредством ключа. Ключ позволяет фиксировать привод в определенной позиции. Снять фиксацию можно подключением к сети или ключом.
Угол вращения
Угол вращения можно ограничить посредством упоров.
Сигнализатор
Привод оборудован дополнительными переключателями, которые позволяет определять позицию в диапазоне от 10 до 90 %.
Купить привод БЕЛИМО NF230А-S2, узнать цену и стоимость можно по телефону: 8 (499) 201-22-47
Скидки и оптовые цены на электропривод БЕЛИМО NF230А-S2 обсуждаются в индивидуальном порядке.
На привод воздушной заслонки BELIMO NF230А-S2 распространяется 5 лет гарантии с момента продажи, а также сертификат соответствия и паспорт изделия.
Скачать PDF (806 Кбайт)
Сертификат BELIMO (775 Кбайт)