
Электроприводы Belimo | Приводы Belimo | Сервоприводы Belimo
127106, Россия, г.Москва, Нововладыкинский пр., д.8, стр.4, офис 100.
Тел.: 8 (800) 201-64-80 Еmail: belimo@rusmark.ru
Привод позволяет регулировать заслонки, расположенные в вентиляциях зданий.
Электронный привод nf230 s belimo позволяет регулировать заслонки, расположенные в вентиляциях зданий.
| Параметры | |
|---|---|
| U номин. | 230В~, 50/60 Gz |
| Номин. U | 195-264В ~ |
| N единовременного включения | 9,5 ВА |
|
Энергопотребление: Работа |
6 W 2,5 W |
| Подключение |
Кабельное: 100 см, 2*0,75 mm2 |
| Функционал | |
| Момент вращение: мотора пружины |
Min 10 Nm (при номин. напряжении) Min 10 Nm |
| Управление вращением | L / R |
| Регулирование вручную | Ключ, позволяющий блокировать устройство |
| Вращение под максимальным углом | 95° , можно ограничить упорами |
| Продолжительность вращения мотор пружина |
Макс. 75 с (0-10 Nm) не более 20 с в условиях T от –20 до +50°С / макс. 1 мин в условиях –30 °С |
| Отображение позиции | Указатель |
| Звукоизоляция: мотора пружины |
Макс. 62 дБ |
| Защита | |
| Защита | 2 класс, изолирован |
| Корпус, защита | IP54 |
| Т работы | мин. –30° макс. +50 °C |
| Т покоя | мин. –40° макс. +80 °C |
| Тех. обслуживание | Нет необходимости |
| Размеры | |
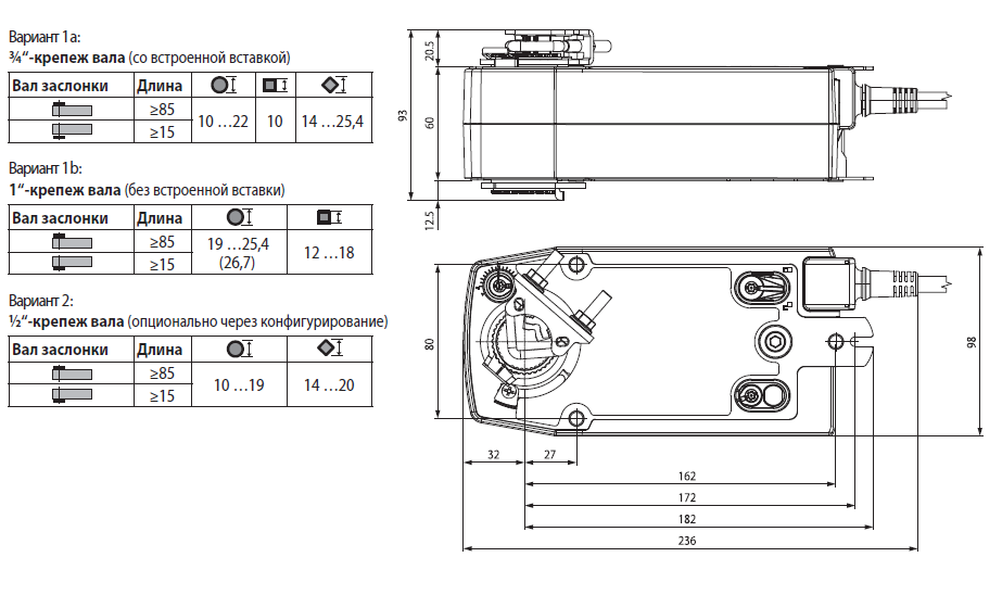
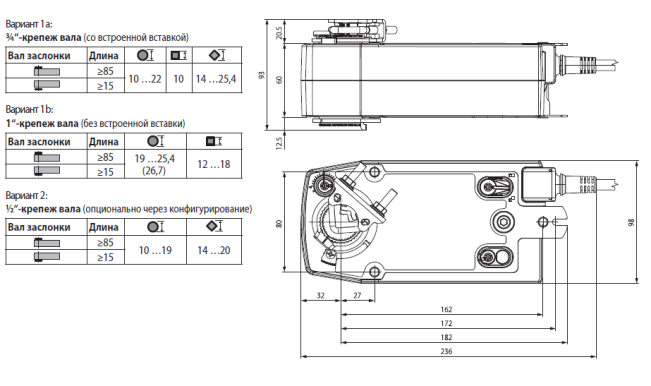
| Размер | Указан на следующей странице |
| Масса | приблизительно 1,8 кг |
Принцип работы
Во время кручения привода belimo nf230 происходит взвод пружины. После отключения электропитания пружина перемещает заслонку в охранную позицию.
Монтаж белимо nf230
Привод монтируется на вал заслонки посредством захвата. Привод дополнен упором, который служит для ограничения вращения.
Надежность
Привод Белимо NF230А имеет функцию остановки при достижении указанных позиций, что позволяет отказаться от применения концевых выключателей.
Управление вручную
Поворотным приводом Belimo NF230А оборудован ручных ключом, который позволяет осуществлять ручное управление.
Настраиваемый угол вращения
Угол вращения можно ограничить посредством упоров.
Универсальность
Напряжение привода NF230А соответствует значениям 24-240 V~ / 24-125 V=
БЕЛИМО NF230А купить или узнать его стоимость можно по телефону: 8 (499) 201-22-47
На Belimo NF230А цена обсуждается в индивидуальном порядке с учетом скидки.
Гарантийный срок на привод составляет 5 лет со дня продажи. К приводу прилагается: belimo nf230 инструкция, паспорт товара и сертификат соответствия.

Скачать PDF ( Кбайт)
Сертификат BELIMO (775 Кбайт)