
Электроприводы Belimo | Приводы Belimo | Сервоприводы Belimo
127106, Россия, г.Москва, Нововладыкинский пр., д.8, стр.4, офис 100.
Тел.: 8 (800) 201-64-80 Еmail: belimo@rusmark.ru
Электропривод предназначен для регулирования позиции заслонок.
Электропривод BELIMO LF24-S позволяет регулировать позицию заслонки в вентиляционной системе зданий.
| Характеристика | |
|---|---|
| Номин. U | 24 V~/= 50/60 Гц |
| Диапазон номин. U | от 19,2 до 28,8 V~ от 21,6 до 28,8 V= |
| Мощность расч. | 7 ВА |
| Потребление мощности Работа Нерабочая позиция |
5 W 2,5 W |
| Подключение: Электричество Доп. переключатель |
Кабельное: 100 см, 2*0,75 mm2 100 см, 3*0,75 mm2 |
| Доп. переключатель | Один однополюсный с переключением двойным 6 (1,5) А, 250 V~ регулируется в диапазоне от 0 до 100% |
| Функционал | |
| Момент вращения мотор пружина |
Минимум 4 Nm при номин. U Минимум 4 Nm |
| Направленность вращения | настраивается L/R |
| Поворот | Максимум 95°, ограничивается упорами в диапазоне от 37 до 100 |
| Продолжительность вращения: мотор пружина |
от 40 до 75 с (0…4 Нм) ≈ 20 секунд при Т от –20 до +50°С / макс 60 секунд при –30 °С |
| Шум мотор пружина |
Максимум 50 дБ ≈ 62 дБ |
| Защита | |
| Класс | 3, низкое U |
| Степень | IP54 |
| Т cреды | от –30° до +50 °C |
| Т хранения | от –40° до +80 °C |
| Ремонт | Не предусмотрен |
| Физические параметры | |
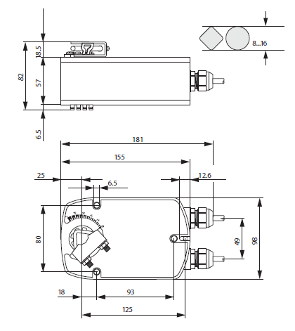
| Размерные параметры | Смотри на следующей странице |
| Масса устройства | примерно 1,4 кг |
Работа
При принятии приводом заслонки Белимо LF24-S нормальной позиции, происходит взвод возвратной пружины. После прекращения подачи электричества возврат происходит за счёт запасенной в пружине энергии.
Монтаж
Электропривод воздушной заслонки Belimo LF24-S монтирует на заслонку посредством захвата. В комплект входит фиксатор, который останавливает вращение устройства.
Защита
Электропривод воздушной заслонки Белимо LF24-S оборудован функцией автоматической остановки при достижении установленных позиций, что защищает его от перегрузки.
Сигнализация
Привод оборудован сигнализационной системой с регулируемым доп. переключателем 0-100%
Купить привод БЕЛИМО LF24-S а также запросить его цену и стоимость вы можете позвонив по телефону: 8 (499) 201-22-47
Скидки и оптовые цены на электропривод БЕЛИМО LF24-S мы обсуждаем индивидуально.
На привод воздушной заслонки BELIMO LF24-S распространяется 5 лет гарантии с момента продажи, а также сертификат соответствия и паспорт изделия.


Скачать PDF (163 Кбайт)
Сертификат BELIMO (775 Кбайт)