
Электроприводы Belimo | Приводы Belimo | Сервоприводы Belimo
127106, Россия, г.Москва, Нововладыкинский пр., д.8, стр.4, офис 100.
Тел.: 8 (800) 201-64-80 Еmail: belimo@rusmark.ru
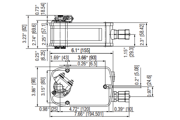
Электрический привод Belimo LF120-S US используется в HVAC системах для регулирования работы защитных воздушных заслонок. Оснащен возвратным пружинным механизмом и встроенным переключателем.
| Электрические характеристики | |
|---|---|
| Uномин | 120 В переменного тока, +/- 10% |
| Частота переменного тока | 50/60 Гц |
| Мощности потребляемые | 7,5 ВА – расчетный параметр при калибровке трансформатора
5,5 Вт – во время работы 3,5 Вт – вне работы |
| Диаметр вала заслонки | 3,8 ... 1,2 окружность |
| Электрическое соединение (источник питания и переключатель) | Кабельное 18 GA, 100 см (3 фт.) |
| Характеристики переключателя | 1-полюсной. Настраивается от 0 до 95 %; I = 1 А резистивный, 0,5 А индуктивный, U = 250 В АС |
| Функциональные характеристики | |
| Вращательный момент | 4 Нм |
| Направление движения двигателя | Реверсивное, задается встроенным переключателем |
| Направление движения возвратного механизма | Реверсивное, задается установкой 0/1 (против/по часовой стрелке) |
| Максимальный угол поворота | Не более 95° |
| Время срабатывания двигателя | 40 – 75 сек |
| Время срабатывания возвратного механизма | Менее 25 сек при t -20°C ... +50°C; менее 60 сек при t -30°C |
| Уровень шума при работе двигателя | Не более 50 дБ |
| Уровень шума при срабатывании возвратного механизма | Не более 62 дБ |
| Индикатор позиций привода | Механический |
| Характеристики безопасной эксплуатации | |
| Защита от поражения током | 100% изолирован (II класс защиты) |
| Протокол защиты корпуса | IP54 |
| t окруж. среды при работе | От –30°C до +50°C |
| t для хранения привода | От –40°C до +80 °C |
| Относит. влажность воздуха | Макс. 95%, без конденсации |
| Сервисная поддержка | Не предусмотрена |
| Вес устройства | 1,7 кг |
Функционирование электропривода
Управление электроприводом Belimo LF120-S US осуществляется по схеме Включено-Выключено (2-позиционное управление).
Как только электропривод Belimo LF120-S US перемещается в рабочее положение при начале эксплуатации, происходит взвод встроенного возвратного механизма. Он поддерживает бесперебойный вращательный момент на заслонку независимо от подачи электропитания на привод. При экстренном отключении электропитания возвратный механизм вернет заслонку в защитное положение за счет накопленной внутренней энергии.
Процесс монтажа электропривода
Монтирование электропривода Belimo LF120-S US на охранную заслонку осуществляется специальным захватом (поставляется в комплекте). Также к устройству прилагается фиксатор, предотвращающий произвольный поворот привода в процессе эксплуатации.
Надежность функционирования
Благодаря опции автоматического отключения электропривода Belimo LF120-S US после достижения финальных позиций, обеспечивается высокая степень защиты от перегрузки в процессе эксплуатации. Использование концевых выключателей не требуется.
Сигнализационная система
Электропривод Belimo LF120-S US оснащен одним встроенным переключателем, который сигнализирует о позициях заслонки. Настраивается в диапазоне от 0° до 95°.
Для уточнения стоимости, и также оформления заказа на электропривод Belimo LF120-S US Вы можете звонить по телефону 8 (499) 201-22-47.
Скидки и цены на оптовые на электропривод Belimo LF120-S US обсуждаются индивидуально.
Гарантийный срок на электропривод Belimo LF120-S US – 5 лет со дня приобретения. К устройству прилагаются технический паспорт и сертификат соответствия.


Скачать PDF (149 Кбайт)
Сертификат BELIMO (775 Кбайт)