
Электроприводы Belimo | Приводы Belimo | Сервоприводы Belimo
127106, Россия, г.Москва, Нововладыкинский пр., д.8, стр.4, офис 100.
Тел.: 8 (800) 201-64-80 Еmail: belimo@rusmark.ru
Привод позволяет управлять позицией заслонки в вентиляционных системах зданий.
Привод BELIMO EF24A-S2 позволяет управлять позицией заслонки в вентиляционных системах зданий.
| Характеристики | |
|---|---|
| U номинальное | 24 V ~ 50(60) Гц; 24 V= |
| U номинальное | мин. 19.2 макс. 28.8 В ~ или мин. 21.6 макс. 28.8 В= |
| Расч. мощность | 16 ВА |
| Питание: Эксплуатация Нерабочее состояние |
9,5 Вт 4,5 Вт |
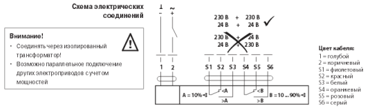
| Переключатели | 2 однополюсных в диапазоне от 1 мА до 3 А, 250 В~ 1 фикс. на 10% , 1 настраиваемый в диапазоне от 10 до 90% |
| Подсоединение Сеть Переключатель |
100 см, 2*0.75 мм2 100 см, 6*0ю75 мм2 |
| Функционал | |
| Момент вращения мотор пружина |
Min 30 Nm |
| Направление поворота | Регулируется L / R |
| Регулирование вручную | Ключ, возможна блокировка |
| Угол вращения | Макс. 95°, ограничивается упорами |
| Вращение: мотор пружина |
до 20 с при Т: мин. –20 макс. +50 °С или максимум 60 с, при –30 °С |
| Шум: мотор пружина |
до 55 дБ до 71 дБ |
| Мин. 60000 положений | |
| Индикатор | Механический |
| Защита | |
| Защита | 3 класс |
| Степень | IP54 |
| Т работы | мин –30° макс. +50 °C |
| Т хранения | мин. –40° макс. +80 °C |
| Ремонт | Нет необходимости |
| Размер | |
| Размеры | См. на др. стр. |
| Масса | 4,4 кг |
Работа
Привод оборудован пружиной, которая взводится в момент включения устройства. При прекращении подачи электричества пружина возвращает устройтсво в стартовую позицию.
Монтаж
Монтаж привода происходит на заслонку посредством захвата. При необходимости можно ограничить вращение привода фиксатором.
Стабилизация вала
Возможна установка стабилизатора, который позволяет комбинировать устройство Белимо EF24A-S2 с заслонкой.
Стабилизатор состоит из двух колец. кольца могут быть демонтированы.
Монтаж на длинный вал
Следует использовать стабилизатор при монтаже привода на длинный вал с диаметром 21-26,7 мм.
При монтаже устройства на длинный вал с диаметром 12-20 мм следует демонтировать стабилизатор.
Монтаж на короткий вал
При установке на короткий вал демонтируйте стабилизатор.
Защита
Привод Belimo EF24A-S2 останавливается автоматически при достижении установленных позиций. Это позволяет избежать перегрузки и отказаться от использования концевых выключателей.
Способ ручного управления
Возможно управление вручную посредством ключа, который позволяет установить привод в нужной позиции.
Настраиваемый угол поворота
Угол поворота можно ограничить при помощи упоров.
БЕЛИМО EF24A-S2 купить, узнать стоимость можно позвонив по телефону: 8 (499) 201-22-47
При оптовой покупке привода belimo ef24a цена устанавливается индивидуально.
Гарантия на привод BELIMO EF24A-S2 распространяется в течение 5 лет. Также мы прилагаем паспорт изделия и сертификат соответствия.
Белимо купить вы можете в ООО "Марк", обговорив белимо цену с нашим менеджером.
Скачать PDF (433 Кбайт)
Сертификат BELIMO (775 Кбайт)