
Электроприводы Belimo | Приводы Belimo | Сервоприводы Belimo
127106, Россия, г.Москва, Нововладыкинский пр., д.8, стр.4, офис 100.
Тел.: 8 (800) 201-64-80 Еmail: belimo@rusmark.ru
Привод воздушной заслонки, Ручное управление кнопкой с самовозвратом IP54. Электропривод для управления воздушными заслонками в системах вентиляции и кондиционирования воздуха зданий.
| Электрические параметры | |
|---|---|
| Номинальное напряжение | 100…240 В ~ 50/60 Гц |
| Диапазон номинального напряжения | 85…265 В ~ |
| Расчетная мощность | 4 ВА |
| Потребляемая мощность: - во время вращения - в состоянии покоя |
1,8 Вт 1 Вт |
| Соединение: - питание - управление |
Кабель: 1 м , 2 х 0.75 мм ² 1 м , 4 х 0.75 мм ² |
| Функциональные данные | |
| Крутящий момент (номинальный) | Мин. 5 Нм при номинальном напряжении |
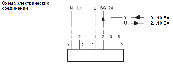
| Управление: > - Управляющий сигнал Y > - Рабочий диапазон |
> 0…10 В=, типовое входное сопротивление 100 кОм > 2…10 В= |
| Обратная связь (измеряемое напряжение) | 2…10 В=, макс. 1 мА |
| Ровность хода | ± 5 % |
| Направление вращения | Реверсивное за счет переключателя 1/0 |
| Направление вращения при Y=0В | В положении переключения 0 соотв. 1 |
| Ручное управление | Редуктор выводится из зацепления при помощи кнопки с самовозвратом, ручная блокировка |
| Угол поворота | Макс. 95 º , ограничение с двух сторон при помощи настраиваемых механических упоров |
| Время поворота | 150 с |
| Уровень шума | Макс. 35 дБ |
| Индикация положения | Механический указатель, съемный |
| Безопасность | |
| Класс защиты | II все изолировано |
| Степень защиты корпуса | IP54 в любом положении установки |
| Температура окружающей среды | -30…+50º С |
| Температура хранения | -40…+80º С |
| Влажность окружающей среды | 95% отн., не конденсир. |
| Техническое обслуживание | Не требуется |
| Размеры / вес | |
| Размеры | См. на след. стр. |
| Вес | 700 г |
Принцип действия
Электропривод управляется стандартным управляющим сигналом 0…10 В =. Он открывается до положения, продиктованного сигналом. Измеряемое напряжение U позволяет отображать действительное положение электропривода электрическим способом, а также управлять другими электроприводами.
Простая установка
Простая установка непосредственно на вал заслонки при помощи универсального захвата, снабжается фиксатором, предотвращающим вращение корпуса
электропривода.
Ручное управление
Возможно ручное управление при помощи кнопки с самовозвратом (при нажатой кнопке редуктор выводится из зацепления)
Настраиваемый угол поворота
Угол поворота настраивается при помощи механических упоров.
Высокая функциональная надежность
Электропривод защищен от перегрузки, не требует конечных выключателей и останавливается автоматически при достижении конечных положений.
Купить привод БЕЛИМО LM230ASR а также запросить его цену и стоимость вы можете позвонив по телефону: 8 (499) 201-22-47
Скидки и оптовые цены на электропривод БЕЛИМО LM230ASR мы обсуждаем индивидуально.
На привод воздушной заслонки BELIMO LM230ASR распространяется 5 лет гарантии с момента продажи, а также сертификат соответствия и паспорт изделия.


Скачать PDF (76 Кбайт)
Сертификат BELIMO (775 Кбайт)